Der A170 ist ein hochentwickelter optischer Winkelgeber von PRECIZIKA Encoders. Er verfügt über eine massive Welle mit großem Durchmesser und ist für seine hohe Leistungsfähigkeit bekannt. Dieser Geber erzeugt bis zu 3,600,000 Ausgangsimpulse pro Umdrehung und ermöglicht so die präzise Messung und Steuerung der Winkelposition.
PRECIZIKA A170 Winkelgeber Datenblatt.pdfEigenschaften und Vorteile:

| Anzahl der Ausgangsimpulse pro Umdrehung | 18000-3600000 |
| Zeilennummer auf der Disc (z) | 18000; 36000 |
| Referenzsignal | Standard: 1 pro Wellenumdrehung Distanzkodiert für z=18000: 36 pro Wellenumdrehung Distanzkodiert für z=36000: 72 pro Wellenumdrehung |
| Zulässige mechanische Geschwindigkeit | ≤ 1000 U/min |
| Max. Arbeitsgeschwindigkeit | 300 bis 500 U / min |
| Genauigkeitsnoten | ± 2.5 Bogensekunden |
| Zulässige Wellenbelastung | ≤ 30 N. |
| Anlaufdrehmoment bei 20°C | ≤ 0.012 Nm |
| Trägheitsmoment des Rotors | < 3.7 x 10-4 kgm2 |
| Schutz (IEC 529) | IP64 |
| Maximalgewicht ohne Kabel | 3.5 kg |
| Betriebstemperatur | 0… + 70 ° C. |
| Lagertemperatur | -30… + 85 ° C. |
| Maximale Luftfeuchtigkeit (nicht kondensierend) | 98% |
| Zulässige Schwingung (55 bis 2000 Hz) | ≤ 100 m/s² |
| Zulässiger Schock (11 ms) |
≤ 300 m/s²
|
| Version | A170-A ∫ µApp | A170-AV ∫ 1 Vpp | A170-F Π TTL |
| Versorgungsspannung | + 5 V ± 5 % | + 5 V ± 5 % | + 5 V ± 5 % |
| Maximaler Versorgungsstrom (ohne Last) | 100 mA | 120 mA | 150 mA |
| Laserquelle | LED | LED | LED |
| Inkrementelle Signale | Zwei sinusförmige Signale I1 und I2 Amplitude bei 1 kΩ Last: – I1 = 7 – 16 µA – I2 = 7 – 16 µA |
Differentialsinus +A / -A und +B / -B Amplitude bei 120 kΩ Last: – A = 0.6 – 1.2 V – B = 0.6 – 1.2 V |
Differenzielle Rechteckwellensignale U1/U1 und U2/U2. Signalpegel bei 20 mA Laststrom: – niedrig (logisch „0“) ≤ 0.5 V bei Up = ± 5 V – High (logische „1“) ≥ 2.4 V bei Up = ±5 V |
| Referenzsignal | Ein quasi-dreieckiger I0-Peak pro Umdrehung. Signalstärke bei 1 kW Last: – I0 = 2 – 8 µA (nutzbare Komponente) |
Eine quasi-dreieckige +R- und ihre komplementäre -R-Welle pro Umdrehung. Signalstärke bei 120 W Last: – R = 0.2 – 0.8 V (nutzbare Komponente) |
Eine differentielle Rechteckwelle U0 / U0 pro Umdrehung. Signalpegel bei 20 mA Laststrom: – niedrig (logisch „0“) < 0.5 V bei Up = ± 5 V – High (Logik „1“) > 2.4 V bei Up = ±5 V |
| Maximale Betriebsfrequenz | (-3 dB) ≥ 160 kHz | (-3 dB) ≥ 180 kHz | 160-2500 kHz (abhängig vom Interpolationsfaktor) |
| Richtung der Signale | I2 hinkt I1 bei Drehung im Uhrzeigersinn hinterher (von der Wellenseite aus betrachtet). | + B hinkt + A bei Drehung im Uhrzeigersinn hinterher (von der Wellenseite aus betrachtet) | U2 hinkt U1 bei Drehung im Uhrzeigersinn hinterher (von der Wellenseite aus betrachtet). |
| Maximale Anstiegs- und Abfallzeit | - | - | < 0.5 μs |
| Standardkabellänge | 1 m; ohne Stecker | 1 m; ohne Stecker | 1 m; ohne Stecker |
| Maximale Kabellänge | 5 m | 25 m | 25 m |
A170 – X1 – X2/X3 – X4 – X5 – X6/X7
| Ausgangssignalversion (X1) | Impulszahl pro Umdrehung (x2) | Referenzsignal (X3) | Kabel- oder Steckeranschluss (x4) | Kabellänge (X5) | Anschlusstyp (X6) |
| A AV F |
18000 ... 3600000 * *Nur F-Signalversion für >36000 Impulse |
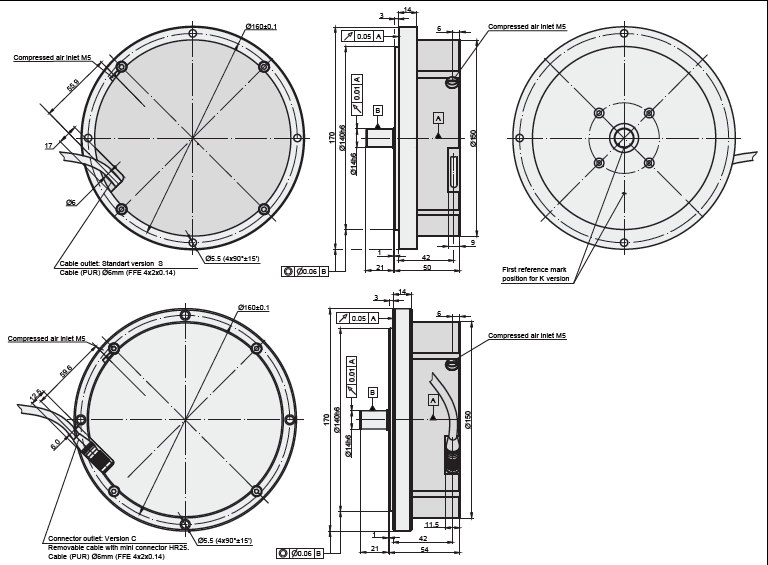
S – eins pro Umdrehung K – 36 pro Umdrehung, distanzkodiert |
S – Version S (Kabelanschluss) C – Version C (Anschlussbuchse) |
AR01 – 1 m AR02 – 2 m AR03 – 3 m ... |
W – ohne Stecker B12 – rund, 12 Pins C9 – rund, 9 Stifte C12 – rund, 12 Stifte D9 – flach, 9 Pins D15 – flach, 15 Pins RS10 – rund, 10 Pins ONC – rund, 10 Stifte |